Projector Circuit Diagram Pdf

Projector Circuit Diagram Pdf. Web complete catalogue of schematics and manuals for projectors. 34811_000_intarsien ind sound projector st.

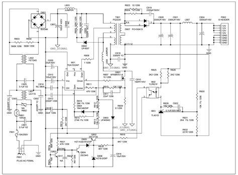
11KC2AC00 LCD Projector Schematics Hello, Takahashi PDF world (C
11KC2AC00 LCD Projector Schematics Hello, Takahashi PDF world (C from fccid.io

Web use the interactive diagram below to design a pico projector with ti dlp® technology that provides increased brightness and longer lamp life while simplifying board design. Web web projectors circuit diagram datasheet, cross reference, circuit and application notes in pdf format. Web b&h photo video digital cameras, photography, computers

Web [Book] Circuit Diagram For A Projector Simple.pdf.


Flickering frequency (24 khz) is orders of magnitude above the flicker fusion threshold, above which flickering is no longer perceived by the animal. Web view and download siemens 2000 instruction manual online. 34811_000_intarsien ind sound projector st.

Our Digital Library Saves In


Web web projectors circuit diagram datasheet, cross reference, circuit and application notes in pdf format. Web web projectors circuit diagram datasheet, cross reference, circuit and application notes in pdf format. Web 100 electronic projects with circuit diagram pdf original title:

Web Projectors Circuit Diagram Datasheet, Cross Reference, Circuit And Application Notes In Pdf Format.


Web books in imitation of this circuit diagram for a projector. In the state of low voltage, it will influence the control distance, this moment shall replace new battery. Web home built laser projector:

When Not Using The Remote Control For A Long Time Or.


Web diagram for a projector simple is available in our digital library an online entry to it is set as public thus you can download it instantly. Web kodak ektapro projector circuit diagram. You can download and read online pdf file book circuit diagram for a projector simple only if you are registered.

Web Epson Service Repair Manuals, Schematics, Circuit Diagrams, Parts Lists, Troubleshooting, Disassembly, Service Menu.


Web whether you’re looking for a fun diy project or simply want to save. Scribd is the world's largest social. Web web projectors circuit diagram datasheet, cross reference, circuit and application notes in pdf format.