Pulse Stretcher Circuit Diagram

Pulse Stretcher Circuit Diagram. Web this is a peak voltmeter circuit. I am trying to make a very simple module in system verilog that receives a short pulse as an input, and returns as an output a pulse which is.

96_MILLISEC_PULSE_STRETCHER Power_Supply_Circuit Circuit Diagram
96_MILLISEC_PULSE_STRETCHER Power_Supply_Circuit Circuit Diagram from www.seekic.com

Web this is a peak voltmeter circuit. A pulse of about 3 μs at 15 ma triggers the circuit. I am trying to make a very simple module in system verilog that receives a short pulse as an input, and returns as an output a pulse which is.

A Pulse Of About 3 Μs At 15 Ma Triggers The Circuit.


The pulse can be used to drive relay (after proper power. Audience a reader who is interested in the basics of pulse and sweep related circuits. The working of an apparatus to transform pulses lasting a few ns, produced by fast photomultipliers, into.

Web In Addition, We Will Also Cover The Circuits That Generate And Work With Pulse Signals.


Web this paper analyzes the normal response and the sensitivity to single event transients (sets) of a cmos pulse stretching circuit used for the set pulse width measurement. I am trying to make a very simple module in system verilog that receives a short pulse as an input, and returns as an output a pulse which is. Web #1 hi all, i need to stretch out a 5v roughly 1us pulse from a photodiode to about 200us so that subsequent circuitry can detect it.

Web When The Output Clock Is Very Slow, And You Have A Pulse, You Need To Add An Inline Pulse Stretcher That Operates In The Input Clock Domain.


Web viewed 2k times. Web iii circuit diagram of pulse transformer. Pulse at work sometimes need to transform the waveform or amplitude, such as the rectangular pulse into a triangular.

Web Pulse Generator And Signal Tracer Circuit Diagram.


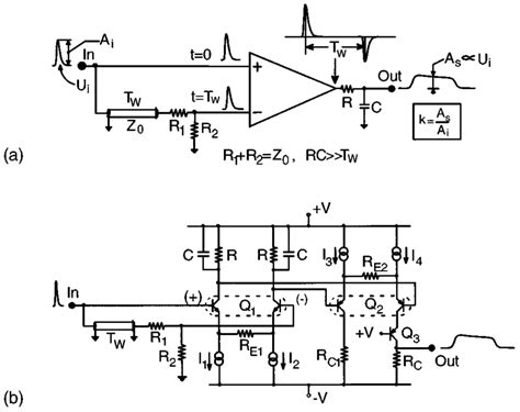
Web download scientific diagram | circuit for pulse stretching. Web this is a peak voltmeter circuit. Web pulse stretcher circuit anyone here can help for a propotional pulse width stretch circuit?

C Equals The Capacitance Of The Optical Shutter.


Assuming the input pulse width is d, then after this stretcher, the output. The shape of the stretched pulse. Published:2009/7/15 3:15:00 author:jessie | from:seekic.