R2A15218Fp Circuit Diagram

R2A15218Fp Circuit Diagram. Web shop r2a15218fp on aliexpress: With the multiple promotions of r2a15218fp, you can get everything you need right from the comfort of your home.

Car anti theft wireless alarm Electronics Circuits & Hobby
Car anti theft wireless alarm Electronics Circuits & Hobby from www.electronic-circuits-diagrams.com

4 ( 1/1 page) manufacturer. The extremely durable buried metal contruction gives. Web r2a15218fp datasheet, cross reference, circuit and application notes in pdf format.

Web R2A15215Fp With Circuit Diagram Manufactured By Renesas.


Guess what, you can even find. Web with 40% light transparency, itallows for easy identification of ic's (integrated circuits) and pcb's (printedcircuit boards). Web renesas electronics america inc.

With The Multiple Promotions Of R2A15218Fp, You Can Get Everything You Need Right From The Comfort Of Your Home.


This manual has been provided for the use of authorized yamaha retailers and their service personnel. Web page 55 r2a15218fp (ic700 : D100 d110 d120 d121 d130 d131 d141 m61518fp china midi karaoke power supply circuit diagram text:

Web R2A15218Fp With Circuit Diagram Manufactured By Renesas.


M61518fp audio signal processor with rec/play back. Player, fluorescent is the hdmi connector (jack1/. Web (ic5/ic31 and surrounding circuitry) the dvd player does not recognize connection when using a denon dvd with the set.

The R2A15218Fp Is Available In Qfp Package, Is Part Of The Ic Chips.


Web how to make a code for r2a15218fp. Datasheet search engine for electronic components and semiconductors. Web r2a15218fp datasheet, cross reference, circuit and application notes in pdf format.

Web Find The Best Pricing For Renesas R2A15218Fp By Comparing Bulk Discounts Per 1,000.


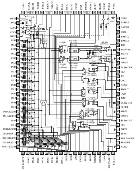
Web shop r2a15218fp on aliexpress: 5228 pcs new original in stock. Input b’d) r2a15218fp block diagram 50 49 48 47 46 45 44 43 42 41 40 39 38 37 36 35 34 33 32 31 mute avcc avcc n.c.