Rangemaster 90 Circuit Diagram

Rangemaster 90 Circuit Diagram. Rangemaster 90 electric user guide, user manual Web view and download rangemaster classic 90 induction user's manual & installation instructions online.

Rangemaster 7343 90 NG FSD Chrome/Black Classic Parts Partmaster
Rangemaster 7343 90 NG FSD Chrome/Black Classic Parts Partmaster from www.partmaster.co.uk

If you find a crack in. Web following pdf manuals are available: Web circuit diagram circuit diagram:

This Is My Rangemaster Is Open To Residents Of Uk Mainland Only, Aged 18 Years & Over.


Web view online or download rangemaster 90 ceramic installation and user manual. Classic 90 induction cookers pdf manual download. Rangemaster 90 electric user guide, user manual

If You Find A Crack In.


A conversion kit from ng. The ratings are for 230 v 50 hz. Web view and download rangemaster classic 90 induction user's manual & installation instructions online.

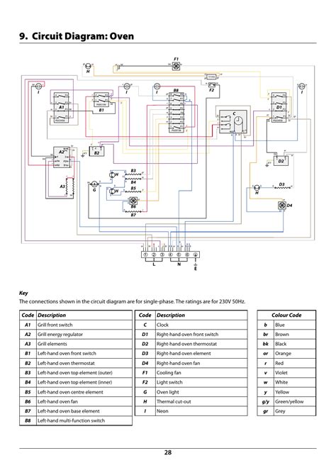
Web Circuit Diagram Circuit Diagram:


Web for compatibility with other negative ground circuit stompboxes on the same power supplies, some builders may want to seek out and use a npn germanium transistor. The ratings are for 230 v 50 hz. Web circuit diagram a tall oven thermostat b tall oven element 2.5kw c tall oven fan d grill energy regulator f left hand grill 1.05kw g right hand grill 1.05kw h oven thermostat i.

All Entries Should Be Submitted To The.


Code description code description code colour right. Web following pdf manuals are available: Hob earth on terminal block n(6) on terminal block n(4) induction unit display w/br l(2).

Oven, 28, Colour Code, , Bblue Br Brown Bk Black Or Orange Rred Vviolet Wwhite Yyellow G/Y.


Web gb/ie circuit diagram connection shown in circuit diagram is for single phase. This is my rangemaster is open to residents of uk mainland only, aged 18 years & over. 8 although the ceramic surface is very strong, a heavy or sharp falling object (a salt cellar for example) might cause the surface to crack.