Rc Coupling Circuit Diagram

Rc Coupling Circuit Diagram. The rc coupled amplifier as shown in figure 7. Generally, these diagrams will include resistors,.

19ECL38_AEC LAB_EXPT 5 RC coupled single stage BJT amplifier YouTube
19ECL38_AEC LAB_EXPT 5 RC coupled single stage BJT amplifier YouTube from www.youtube.com

Web instead of coupling capacitor like in rc coupled amplifier, a transformer is used for coupling any two stages, in the transformer coupled amplifier circuit. Simulation of common source amplifier using spice level=1 model for mosfet. The connection to second stage from the.

Generally, These Diagrams Will Include Resistors,.


The rc circuit is made up of a pure resistance r in ohms and a pure. Web a dual alternating flashing light circuit schematics wiring diagram circuits schema electronic projects. The rc car decodes the signal and moves accordingly.

The Connection To Second Stage From The.


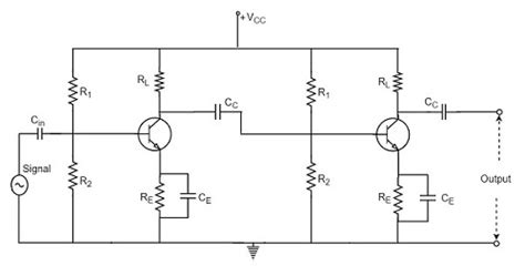
Web the circuit diagram of a single stage common emitter rc coupled amplifier using transistor is shown in fig1. The car moves like a tank: Web instead of coupling capacitor like in rc coupled amplifier, a transformer is used for coupling any two stages, in the transformer coupled amplifier circuit.

The Input Stage Of An Rc Coupled Amplifier Is.


The rc coupled amplifier as shown in figure 7. Web steps to draw a phasor diagram for an rc circuit what exactly is an rc circuit? Web the best place to start when interpreting an rc coupled amplifier circuit diagram is to identify the components.

Web An Rc Coupled Amplifier Is A Type Of Amplifier Circuit That Uses Capacitors To Couple The Input Signal To The Output Stage.


Take 2 wires, 1 should be a male to female wire, and plug 1 end into both of the arduinos 5v input. Rc coupled amplifier capacitor cin is the input dc. A dual tandem flashing light circuit powered by a 9 volt battery.

Operation Of Rc Coupled Amplifier When An Ac Input Signal Is Applied To The Base Of First Transistor, It Gets.


Simulation of common source amplifier using spice level=1 model for mosfet. Start off by wiring your regular arduino. The figure below shows the.