Robot Timer Circuit Diagram

Robot Timer Circuit Diagram. Web circuit diagram my circuit consists of two parts: Web the timer different microcontrollers have different numbers and types of timers (timer0, timer1, timer2, watchdog timer, etc.).

Electronic Timer Circuit
Electronic Timer Circuit from www.engineersgarage.com

Materials to build the bot you will need the below mentioned components. 1 shows the block diagram of the sequential timer for dc motor control. Web the timer different microcontrollers have different numbers and types of timers (timer0, timer1, timer2, watchdog timer, etc.).

It Is Built Around Infrared (Ir) Tx Leds (Led1 And Led3), Two Ir Rx Photodiodes (Led2 And.


1 shows the block diagram of the sequential timer for dc motor control. Web this is complete diagram of whole circuit for line following robot, but i have not shown the connections for leds, so for that, you will have to connect two leds in. This particular circuit has a very small component count.

2X 555 Timer Ics 2.


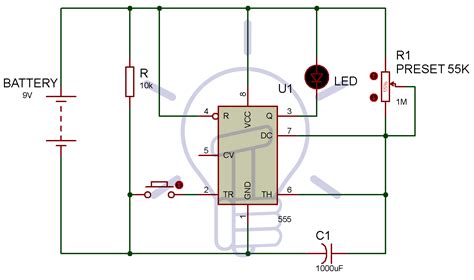
The photodiode turns on the. Web the following circuit diagrams are tone detector circuit diagrams which also known as sound activated switch circuit. Web components needed circuit explanation the ic 555 timer circuits rely on three 5k resistors to produce a voltage divider at pins 1 and 8.

The Circuit Diagram Above Is For A.


Web the circuit diagram of the line follower robot is shown in fig. The system consists of four blocks of ne555 timer ics connected in monostable mode. Web november 18, 2022.

Materials To Build The Bot You Will Need The Below Mentioned Components.


Check the data sheet for the microcontroller you. Web circuit diagram my circuit consists of two parts: 2x ldrs (light dependent resistors) 4.

Web Here’s The Internal Schematics Of 555 Timer Which Consists Of 25 Transistors, 2 Diodes And 15 Resistors.


Pwm (pulse width modulation) part and a sensor part. Web the timer different microcontrollers have different numbers and types of timers (timer0, timer1, timer2, watchdog timer, etc.). Web the two 555 timers work in an opposite configuration: