Schematic Circuit Diagram For Egg Incubator

Schematic Circuit Diagram For Egg Incubator. Web how to build a diy incubator for eggs quail or en thediyplan. Web the egg incubator circuit diagram is really quite simple, but it plays an important role in reaching the desired temperature.

Eggs hatching incubator circuit diagram 4 under Repositorycircuits
Eggs hatching incubator circuit diagram 4 under Repositorycircuits from www.next.gr

Web to get started, find a circuit diagram for an automatic egg incubator. I've had some help in the past developing a schematics for a 12v motor, but. Schematic circuit diagram for egg incubator wiring.

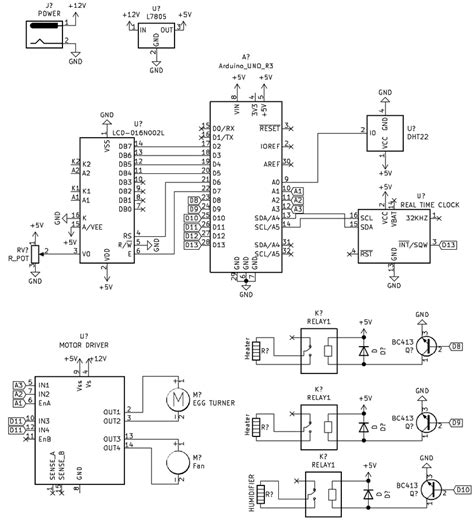
Web The Incubator Consists Of A Microcontroller With Egg Turner Trays And Incubating Chamber Of 116 Nos.


Web the wiring diagram for an incubator provides a detailed look at the setup of your incubator and helps prevent problems. Design, fabrication, and performance analysis of an automatic horizontal egg incubator. Modern incubator systems are designed with a variety of components and wiring to keep the egg.

Egg Incubator Diagram Schematic And Image 06.


Design and construction of automated eggs incubator for. Web schematic circuit diagram for egg incubator. Web 1 components description egg incubator egg incubator is a place that incubates the eggs until hatching, we have the dht sensor that senses the temperature.

This Powerful Device Comes With A.


Schematic circuit diagram for egg incubator wiring. Circuit design is simulated to test if the circuit will run according to the requirements define in the requirements specification. Web download scientific diagram | incubator heat control circuit diagram from publication:

Web Download Scientific Diagram | Overall Circuit Diagram Of Egg Incubator From Publication:


I've had some help in the past developing a schematics for a 12v motor, but. Web design fabrication and performance analysis of an automatic horizontal egg incubator. Web understanding wiring diagrams for incubators:

Web The Egg Incubator Circuit Diagram Is Really Quite Simple, But It Plays An Important Role In Reaching The Desired Temperature And Conditions For Your Eggs.


Web when it comes to hatching eggs into chicks, nothing gets the job done faster and more reliably than an automatic incubator circuit diagram. Web schematic circuit diagram for egg incubator. Web the egg incubator circuit diagram is really quite simple, but it plays an important role in reaching the desired temperature.