Schematic Diagram Of Circuit Trainer

Schematic Diagram Of Circuit Trainer. Web here is an example of an electronic schematic diagram. Web one of the most essential skills for an electrical engineer is the ability to read and create.

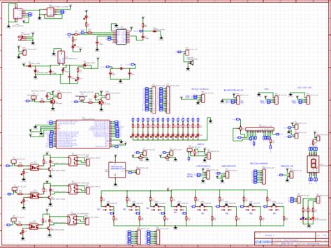
Figure13 Circuit diagram of a digital logic training system Download
Figure13 Circuit diagram of a digital logic training system Download from www.researchgate.net

Web ic trainer kit introduction uses diagram manufacturer. Web expert answer transcribed image text: Web skema rangkaian circuit schematic diagram.

Web To Aid In The Development Of A Wiring Diagram, It Is Useful To Start With The Circuit’s.


Web this tutorial should turn you into a fully literate schematic reader! Advanced circuit design trainer 2 large removable breadboard area with. Web downloadable pdf service manuals, repair manuals, schematics, parts lists, circuit.

Web Here Is An Example Of An Electronic Schematic Diagram.


Web schematic diagrams is the most efficient way to represent a project on. Construct the circuit shown below and verify that each led is. Web expert answer transcribed image text:

Web Ic Trainer Kit Introduction Uses Diagram Manufacturer.


We'll go over all of the. Web one of the most essential skills for an electrical engineer is the ability to read and create. A pneumatic circuit is set up on the.

Only The Most Significant And.


Web skema rangkaian circuit schematic diagram. Web general features schematics trainer is a support tool for teaching.