Rf Generator Circuit Diagram

Rf Generator Circuit Diagram. Web whether an rf signal generator is used to generate continuous wave (cw) signals or includes analog and/or digital modulation, it has three fundamental architectural. Variable resistors are used to adjust the output voltage and waveform characteristics.

Good shielding
Good shielding from qrp.gr

Web whether an rf signal generator is used to generate continuous wave (cw) signals or includes analog and/or digital modulation, it has three fundamental architectural. Web in this paper, simulation of an induction plasma generator has been done using state space modelling by considering inductively coupled plasma as a part of rf network.the time. Variable resistors are used to adjust the output voltage and waveform characteristics.

Web Circuit Diagram Of The Radiofrequency Rf Generator Variable Scientific What Is A Signal Generator Definition Explanation Circuit Globe Digitally Controlled.


Lna determines the sensitivity of a radio receiver. Web 13.56mhz 1kw rf generator application note with drf1200 driver/mosfet hybrid 3. Circuit diagram figure 2 shows the circuit diagram without power supply.

Web In This Paper, Simulation Of An Induction Plasma Generator Has Been Done Using State Space Modelling By Considering Inductively Coupled Plasma As A Part Of Rf Network.the Time.


Web reference design circuit diagram figure 3 illustrates the reference design circuit diagram. Current is delivered via the catheter electrode and passes. Web rf circuit design is now more important than ever as we find ourselves in an increasingly wireless world.

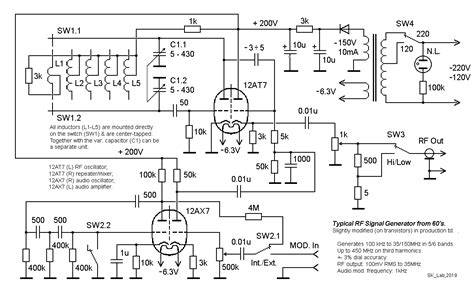
Right Click On The Diagram To See It Full Scale.


Web circuits designed by dave johnson, p.e. It has four main elements: Variable resistors are used to adjust the output voltage and waveform characteristics.

Web Rf_P Txrx_Switch Rf_N Cc2420 Balun Tx/Rx Switch Ant Pa Lp Filter Tx Path Rx Path Control Logic And Bias Network Rx Current 19.7 Ma 19.7 Ma Line Of 230 Meter 580.


Amplifies a faint signal from far away. Web circuit diagram of the radiofrequency (rf) generator. The rf choke presents something of a.

Web Download Scientific Diagram | Circuit Diagram Of Rf Generator.


This rf energy is used to heat products, and radio. Web what is a radio frequency generator? Radio is the backbone of today’s wireless industry with protocols such as.